• You can now help support WorldwideDX when you shop on Amazon at no additional cost to you! Simply follow this Shop on Amazon link first and a portion of any purchase is sent to WorldwideDX to help with site costs.

How to perform the 2sc2999 and Schottky diode swap

The new galaxy boards EPt069611A appear to have upgraded Q17 and switched to Schottky Diodes??
Am I right in assuming there is not advantage to upgrading??

Great Discussion, although most of it was above my head <GRIN>
 
Never seen it work in the real world as you describe it! Yes it can boost receive signal but I have never seen it filter out the unwanted stuff the noise floor is always amplified as well since the noise is not filtered out on the stock radio either. On top of that the diode swap has nothing to do with noise floor and I have never seen a diode swap alone do anything for recieve. It makes sense if your Germanium didoes are bad!
 
Never seen it work in the real world as you describe it! Yes it can boost receive signal but I have never seen it filter out the unwanted stuff the noise floor is always amplified as well since the noise is not filtered out on the stock radio either. On top of that the diode swap has nothing to do with noise floor and I have never seen a diode swap alone do anything for recieve. It makes sense if your Germanium didoes are bad!

Modern Si based Schotty Diodes are cheaper now than Germanium Diodes that is why Ranger uses them in all their products. the 2SC2999 is not universally a higher gain device and more than one type of this part is available. If you wanted to have it work every time you would have to sort these devices with a Curve Tracer! On top of that after you install it you have to realign the radio which means you need some test gear. Anyone telling you that you can just swap out the parts without realigning the radio and that you will get results is a liar or is rather ignorant of how electronic work one or the other no in between this is absolute. If they actual had test gear they would have empirical proof that what I am saying is true. This mod always boosts the noise floor just as much or more than the signal you want and with out aligning the radio properly after this their is no way to bias this swap towards the intelligent spectrum of speech we want to amplify!

Can this mod work? Yes! Does it work as presented here no! On top of that most places are selling you the wrong model of 2SC2999 and 99% of the ones you are sold will be Chinese made junk.

Do review placebo effect because with out empirical data that is all you have!
 
  • Like
Reactions: Crawdad
Greetings!

I don't particularly see a problem.

I did up a write up a long time ago on CBTricks...here's a graphic of someone that reworked a Stryker with a 2SC2999 part ...THEY did this work, I put it to the graphics to demonstrate...
2Stryker955RFAMPcompare1.jpg

Looks like the 29 is the most willing donor to accept a replacement like the 2SC2999

Just don't expect miracles.

And remember that with any new chassis and redesign like RCI has done, they more than likely have narrowed down the bandwidth product of the input coupling to the RF amp stage and since they're more SMD - found a suitable replacement for their boards and response tuning and tweaks should already be done.

This isn't exactly what I wanted but this helps give me the info I need to show you their coupling and test circuit...
2SC2999LGE.jpg

And for those whom attempt this - remember that this circuit has and uses negative feedback and a PIN diode front end for protection.

FrontEndCobra 29.jpg

So be prepared to adjust the front end of the tuning tank circuit accordingly - meaning that the 5.6K resistor R13 as well as bias R12 22K may need tweaking.

I would also recommend that a small tuning cap be placed across R13 as a means to help the matching the input side of the base on the 2SC2999 better..

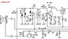
Why? Galaxy has used a Common Base amplifier design since the EPT3600 series was ever started. you can review that at your leisure and is prolly why the 2SC2999 worked well for the design, for it will amplify current quite well.
FrontEndGalaxy33HML.jpg

Germaniums versus Geraniums'? One gives you a bigger crystal and one gives you a bigger spot in moms heart...

Regards!
:+> Andy <+:
 
Last edited:
  • Like
Reactions: Shadetree Mechanic
Greetings!

I SECOND the notion that anyone reading this - should ALSO READ THROUGH THIS THREAD TOO...

https://www.worldwidedx.com/threads/2sc2999-mod-analysis.161809/

I HIGHLY RECOMMEND READING BOTH OF THESE THREADS BEFORE ATTEMPTING THIS MODIFICATION...

Continuing on...

In review, this mod for the Cobra 29 should be the easier radio to do it on, for the effort of "drop in" is easier than say a RCI 696 that being SMD...

Unit 399 raised some pointers that the rest of us need to HEED...

GAIN of Part Hfe (being Frequency Of Interest)
BIAS of Part at expected Hfe (hey the things gotta use Power)
DIODES as part of the RX process...(Germanium Geraniums versus Schottky)
any required improvements to the chassis BIAS of AGC, ANL work, and performance tuning of Noise Blanker...When I mention AGC, something as simple as R31 and R35 as well as tweaks to C30/C31 can change performance...

To help some of those that are technically curious about this thread...
RFAmp.jpg

The above is important, for a "drop in" is considered an immediate FAIL because no ideal bias adjustments were done - for the part to show improvement, the circuit needs to be idealized for the new part to even function in a capacity we are expecting else no sense in buying a Ferrari that uses gas, when all you've got is diesel fuel available to use...You may be able to get it to run but not very well.

Then there is the opposite, dropping in this part may make it perform and show work within specs of the OEM part. Then all we've proven is that the part simply can REPLACE that part - not offer any improvement in drive or Signal To Noise.

We also have a Carborundrum:
Although we have tried, there are some that make the comments about the replacement of Schottky and or Germanium that if they are old or have failed it is best to replace them - good advice.

Does little though to help us understand the noise we hear in a receive even with no antenna attached - again the effort to replace them and what they can do to the radios' "Noise floor" is it more of a gain factor?. Using the word "gain" without clarification many would assume the parts involved would be the problem. Not always, for many instances there is a feedback principle being applied, regarding AGC reaction using the Divider network resistor R31 and R35 (Cobra 29).

The AGC relies on the negative going aspect of power, as detected carrier + Audio Signal, detected from the 2nd IF output and is used a means to reduce power when the received amplified signal is strong enough in signal strength it can damage parts within the RF amp strip - and this means of Negative Feedback to reduce distortion artifacts from excessive signal drive and overload is applied to key points along the RF strips' amplifier stages - this also provides a means to control IF images that are summed into the detected signal as a signal in itself with it's own inherent RF signature including the noises produced by it as it travels the strip.

As mentioned earlier -
If allowed to "tweak" AGC levels, as well as apply optimum BIAS drive levels to the devices we wish to test, using them in a close as possible signature of the original RADIO OEM design networks (Read: radios itself not test circuit) - the devices then can be allowed to run their full drive range and , showing power curve results. At least with the effort of adjusting AGC - we learn from the application which devices perform the best under which condition working with and against the noises we are try to remove.
And in reciprocal - even the support parts replacing other portions of the RX strip the original OEM may affect Receiver performance and obtain the desired results without having the NEED to install the part we wanted to drop in in the first place.

EXAMPLE:
The 2SC1674 (to Be Fair)​
2sc1674NECTestCircuit.jpg
Compare this test circuit when you evaluate the Noise and Hfe figures​

So we'd better keep our ducks in a row and look ahead...because what some may call a better result - some would call a performance hit...

.. Will add more as time permits...

...Stay tuned...
Regards!
:+> Andy <+:
 

Attachments

Last edited:
  • Like
Reactions: Shadetree Mechanic
Why? Galaxy has used a Common Base amplifier design since the EPT3600 series was ever started. you can review that at your leisure and is prolly why the 2SC2999 worked well for the design, for it will amplify current quite well.
View attachment 23452

The common base circuit does not have any current gain. In fact is has a small loss in current (input vs output.)

- 399
 
I know guys that do this mod and get great results but it is not a drop it in solder it up and go proposition! You have to pay to play and just like you need tools to work on a car you need tools to work on radio's! If you do not have the tools to see what changes are happening you have no business doing "modifications" to a circuit. On top of that even when done well it is not always much of an improvement.
 
Greetings!

The common base circuit does not have any current gain. In fact is has a small loss in current (input vs output.)

- 399

Hi 399!

And the many would be correct, but here is where the differences start to take shape and may help to answer the "WHY" this isn't a direct drop in. As well as why they chose a particular part other another.

Note the earlier quik-draw circuit showing the differences between the two types of RF amp sections.

The Galaxy 33HML one is specific to this - due to the coupling effects of L6 coil and the common base gain and bandwidth versus common emitter become evident - the base one needs to push more current than voltage to MAINTAIN BANDWIDTH - while the typical 25/66 or 78/29 versions just have L2 and L3 to worry about the bandwidth and skirt.

The output of the RF amp in the 33 needs more current drive across the bandwidth it has - so in a way - the 2SC2999 seems to have the bandwidth product amplification needed but it comes at a price.

It's more a current follower than voltage amplification in the 33 versus more voltage than current amplification in the other.

The Coil coupling is one of the many keys as how the 2SC2999 may work for some (boards - or bored enthusiasts) but not all. The Common Base design gives bandwidth but the coupling network is different - and the impedance across - the 2.2K Base to Collector as well as the 820 ohm reference to ground on the base - the CIRCUIT REALLY HAS LITTLE Power GAIN compared to the 25 or 29 from Cobra...

Partly due to the bandwidth - 'a lot of noise to process the selected signal is getting sent to the 1ST IF amp the RF amp is set for some amplification - but more for REDUCED GAIN products to help with the noise factor - in essence an attenuator that helps more with selectivity than with gain. AGC helps this front end a lot more than people realize.

2SC2999 - Wherefore Art Thou?

It's needs help from the AGC, yes. But, it will need to consume more power and in the Base configuration - L6 lends a hand as bandwidth and matching coupler.

In the 25 or 78 (interchangeable for the moment) it needs to use the characteristics of L2 and L3 to couple input and output and the winds of the coils are of narrower bandwidth product and "Q" - which they lend to the matching requirements of coupling this stage and as a secondary note - not much voltage amplification is needed - just coupling so the 1st Stage IF don't get hammered by excessive input.

Again looking back the at charts, the way the 2SC2999 starts to conduct or it's "knee" is different than the 1674 - not by much, but the BIASING is the other part of this.

You have to be careful - VERY careful of the bias in the RF amp, for the PIN diodes and L6 work as a unit to drive the RF amp - if you don't pay attention or are not careful - a "pulsing" can occur from the AGC clamp and RF gain fighting each other.

The 1674 starts conduction sooner than the 2SC2999 - so the drop in isn't perfect, nor is it ideal - you'll need to make changes to accommodate the newer part and all aspects included, in brief; from my own experience - more current consumption was needed and the blasted thing - once it got conduction started, was very finicky on drive voltage - meaning the AGC had to be tweaked as well. And that was for the issue of thermal problems (heating) because it needed more power to provide drive and required AGC that had a wider range of offset (subtraction) ability to reflect the power gain at the detector end.

So in a way once the radio had a signal - it could (as appearance) selectively drive the AGC level harder to drive down noises present and PERHAPS with selectivity can provide a better receiver in performance (Noise blanker and ANL issues) but are those the end result in effects or desired qualities?

That's why the long winded stuff above, and to be honest with all those involved, each board this went it, required different tweaks - like those listed earlier.

Siderail for a moment with me here...
The "differences" were with each model and their level of features that made some "challengers" than modifiers, a 66 showed the drop in as the least improvement - but the greatest noise reduction was more due to the older parts (Germanium diodes) requiring replacement.
The Cobras were the most difficult - for the 25/29 ST or WX or a combo of both, they have made changes in AGC biasing - pre-amp levels as well as WX and ST injection points adding to the complexity of the swap.
Uniden's older radio models - like the 68 versus the LT or XLT - had similar issues and the addition of DSC piggyback boards. You had more problems with the WX units because of the WX required a piggyback circuit and broken traces to pull signal up from the board - into the unit then inject it back into the board.
The "Hi, I'm dumb - thanks so much for playing" results of the "nothing changed" award went to the 78LTW - while the 76's showed some of the best improvement of any of the boards and with no change to AGC or biasing - just the addition of a variable 20~185pF vari-cap to locate the best coupling "impedance match" from the input of L2. Or even cut the RF's amp sections input tanks' output side going to the transistor - and add an 18 ohm resistor series instead to lessen noise and sharpen the bandwidth "skirt".
So in many ways, you have to REVOKE, REMOVE, or REROUTE and REWORK sections to obtain a "Set standard" to obtain any satisfactory results and any sort of success. At least predictable results.​

So, to validate your reference to Useless Mod is correct from the standpoint of what has to be done to obtain Miracle-Gro statistics. In this light, the effort is not worth the cost unless you just want to see what happens.

It's installing all the other support parts and window treatments to make the mod function in the same environment the OEM did. Took a LOT more effort than those that make $$$ selling radios can spend and make a profit-IMHO. Only to achieve some improvements in noise?

Splitting hairs.

It was more in the realm of signal "capture" and S-meter action (punchy audio and "boomy" rise of voice). You can tweak VR2's 200ohm (IF AMP) pot and get away with achieving similar effects without installing it if they don't pay attention to the S-meter.

Or even cut the RF's amp sections input tanks' output side going to the transistor - and add an 18 ohm resistor series across the broken trace instead to lessen noise and sharpen the bandwidth "skirt".

Some installs, you couldn't do anything with it, especially the 29WX/ST or the 78LTW - simply due to the "preamp" the ST had or the DSC routing and WX rework.

The 76 took well to it and a tuning cap to adjust the input "level" on the RF amp did wonders (Across R13 5.6K). You still have to "Fiddle a bit" with base and collector resistor "biasing" if you wanted "quiescent current" without a lot of shot noise - but it was not objectionable.

It is why I posted all the above so others can see; that the required mods needed to really apply this mod as a worthwhile investment is subjective. Perhaps being applied only a learning tool to for those that will further radios' future - and to that, in current designs amongst the many users of specific platforms presently available - it isn't worth the effort if all you wanted was a quickie drop in.

Plus, if someone were to find something in the data that helps them understand, then by all means - glad to know it helped.

Regards!
:+> Andy <+:
 
  • Like
Reactions: Shadetree Mechanic

dxChat
Help Users
  • No one is chatting at the moment.
  • @ heartbreaker3473:
    Hello gentlemen and Ladies. I have the dreaded RCI-2990 receive issue where my radio gets distorted when people get close to my location. I found the C90 Capacitor, but I can not for the life of me find the C89 capacitor. Can or does anyone have a picture of the exact location of C89 ? Thank you in advance, Wes
  • @ AudioShockwav:
    Wes, it's better if you start a thread on the main forum, more people are going to see your question.
  • @ heartbreaker3473:
    Okay, sorry, will put in a forum
  • @ heartbreaker3473:
    I put it in the general disscution help area and started a new thread. Thank you for letting me know.