• You can now help support WorldwideDX when you shop on Amazon at no additional cost to you! Simply follow this Shop on Amazon link first and a portion of any purchase is sent to WorldwideDX to help with site costs.

low output from this 4 pill

Rooster in Tennessee on YouTube sells fatboy products. He should have a link in description. I believe he takes custom orders though I'm not certain. Such as add class B bias and SSB delay or preamp so on so forth.

 
Whats with the 2k resistors in the feedback circuit? I'm not an amp builder, but I think those are usually around 100Ω.

Edit: Although obvious, it did start out as an 8 pill, its written on the metal by the green light. Perhaps someone intended to put 200Ω in the feedback and messed up putting the 2KΩ in there and one by one the pills started popping from oscillations eventually becoming a 4 pill as they popped???? Maybe only two good pills remain...
 
Last edited:
Man. What is it with amps and people getting scammed recently. Sorry someone sold you that. They unfortunately took advantage of you. I am not an expert either (BBI certainly is) but I'd have to concur with earlier posters. Don't put another dime in that. Pull the pills if they test good at least you get some parts out of it. Depends how interested you are in building but you could try building your own with those pills if good and maybe the heat sink and start over with new board and everything else. Likely wouldn't be cost effective so it depends if you enjoy that sort of thing as compared to just writing it off and as others said just get a RM Italy. Rebuilding / repairing by someone else will likely reach or exceed the purchase price by the time you factor shipping, parts and labor.
I'm going to test the input tune and output tune caps as well as the caps on the transformers, I saw in a bbi video that might be the problem. just ordered a pf meter if there bad I will replace them, The heatsink also got pretty hot so I'll use a temp gun on the pills to see if there getting hot from what I gather that's a sign of a bad pill?
 
Screenshot_20231106-071550.png

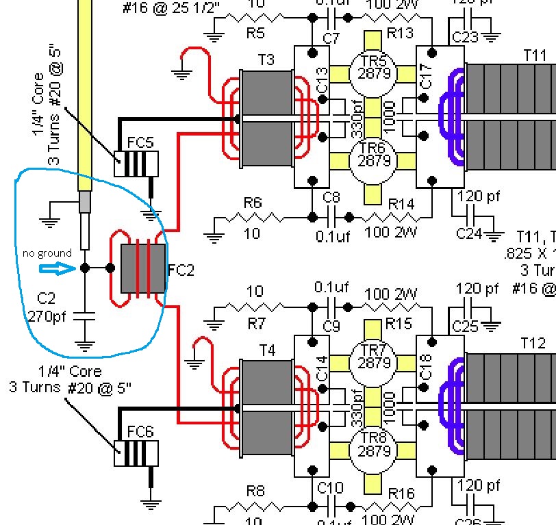
Looks like the input is shorted thru the ground plane. I don't build amps but this doesn't look right, like they soldered both legs of the cap, center conductor and input transformer with a blob to the copper board.
 
View attachment 66151
Looks like the input is shorted thru the ground plane. I don't build amps but this doesn't look right, like they soldered both legs of the cap, center conductor and input transformer with a blob to the copper board.
When you say the input is shorted through are you talking about the shielding on the coax making connection with the center element of the coax in the solder joint just to the left of what you have. Only thing I’d be able to do is replace components like caps and resistors, I can’t tell you what value or resistance they need to be, but I can swap them out. Iv been watching amp building tutorials all weekend
 
When you say the input is shorted through are you talking about the shielding on the coax making connection with the center element of the coax in the solder joint just to the left of what you have. Only thing I’d be able to do is replace components like caps and resistors, I can’t tell you what value or resistance they need to be, but I can swap them out. Iv been watching amp building tutorials all weekend
No, and yes. It appears the center conductor is soldered to the copper board inside the blue circle, same copper board that the coax shield is soldered to outside the circle. They both appear to be soldered to the same copper plane. Could be the pic but it looks like a short.
 
  • Like
Reactions: BC Coyote
Looks like the input is shorted thru the ground plane. I don't build amps but this doesn't look right, like they soldered both legs of the cap, center conductor and input transformer with a blob to the copper board.
Nice catch Cable Guy !
Everything in the blue circle should be floating and not grounded. Only thing that should be grounded is one leg of the cap and the shield to ground.
 

Attachments

  • Capture.JPG
    Capture.JPG
    190.1 KB · Views: 216
any info on how to account for that? with the hg 2879s
Here is a thread from when I smoked my X Force four pill. I replaced the DEI transistors with HG and went down the rabbit hole with the tuning. Should be some information towards the end about the correct tuning values.

 
That's what I thought, that it should be "floating."
Thank you I really appreciate the explanation, this will be my first time touching one of these things, once my capacitor tester comes in the mail I’ll float that circuit, on one of the heat sink fins it almost looks like something arced out and melted the aluminum a bit, if this is the case is any of the components salvageable or would they all be toast
 
In this condition I would imagine the swr would be awful between the radio and amp. If it is truly shorted and not floating, I wouldn't tx into it.

The amp does look like doo doo, but you didn't ask for judgement, instead for help and aside from ugly welds and questionable practices reflecting the builder, I think it could work. I don't see any burnt resistors so that's good. Maybe it originally blew up, causing the arcing marks on the heatsink, then was rebuilt into a 4 pill. I get the feeling that those are different pills than originally installed. Ditto on the impedance matching issues spoken of by Shadetree Mechanic.
 
  • Like
Reactions: lonestarbandit

dxChat
Help Users
  • No one is chatting at the moment.
  • @ Spanish:
    Where do i upload schematics
  • @ BJ radionut: