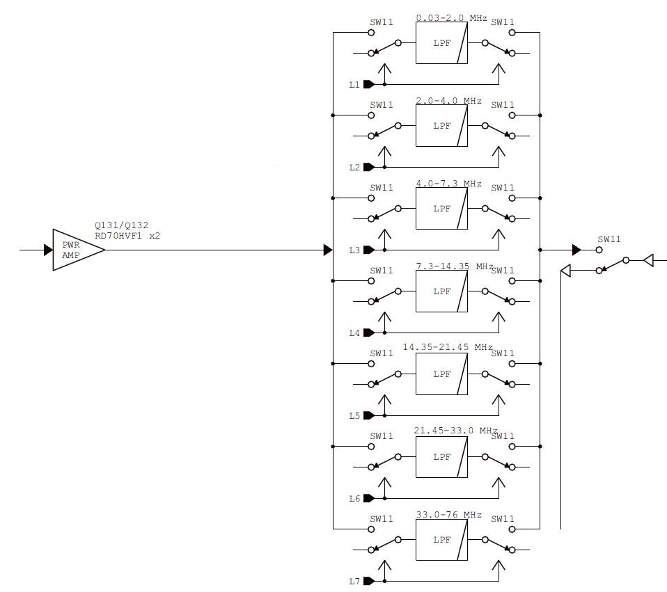
I always by habit run a quality low pass filter after amplifiers due to being in an urban environment to be neighbor friendly just in case. With a modern HF radio (not a CB or Import radio) is there any reason to run one prior to the amplifier or is the harmonic suppression sufficient from current transmitters?

