• You can now help support WorldwideDX when you shop on Amazon at no additional cost to you! Simply follow this Shop on Amazon link first and a portion of any purchase is sent to WorldwideDX to help with site costs.

Question about L1 choke in DX400/DX500 Texas Star amps and SSB power

loosecannon

Sr. Member
Mar 9, 2006
4,641
4,505
273
Hi all,

I've had to replace these before, but it's been a couple of years now, and apparently they are not available right now.

So i found these JW miller chokes and am hoping to use them as alternates.



My question is, are there any special characteristics of the stock choke that need to be considered when subbing in a different part.

the stock coil is a 10uH 1 amp choke.

the ones i found are 10uH 1.65 amp chokes.

I couldn't find any more specs on the stock coil, like DC resistance, so im hoping that doesn't matter too much.

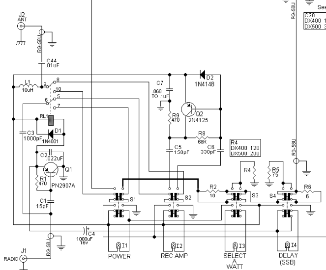
Also, this is the first Texas star amp ive worked on that someone has removed R5 and R6 from.

seems like they did it to get more power on SSB.

What does this do to the biasing in these amps?

This one came in with a blown keying transistor and a burnt L1.

I just want to make sure im not missing something here and that the issues have nothing to do with the removal of R5 and R6.

1730158922392.png
 

Also, this is the first Texas star amp ive worked on that someone has removed R5 and R6 from.

seems like they did it to get more power on SSB.

What does this do to the biasing in these amps?

This one came in with a blown keying transistor and a burnt L1.

I just want to make sure im not missing something here and that the issues have nothing to do with the removal of R5 and R6.
R5 and R6 look like attenuation for SSB, and that makes sense with most radios putting out more on SSB. However, it does not appear to have any impact on biasing.

I think you are right to go with a higher rated RF choke. That choke feeds the relay, the preamp, the button lights and the final bias. Each pill has about 26.5Ω of resistance in their bias circuit, so dividing by two, we get 13.25Ω total for both bias circuits in parallel. At 13.8v, that's over 1A all by itself. Add on the keying relay, the button bulbs, the preamp, yea, I think it being burnt is just from heavy use and not related to the failed keying transistor. I think L2 could benefit from that 1.65A replacement as well.
 
thanks to both of you for the replies!

Looks like i saved some money at least LOL.

Ranch55, are those the chokes you are using for replacements in texas stars?
also, knowing that you've done a lot of work on these amps, have you ever seen R5 and R6 removed?
LC
 

dxChat
Help Users
  • No one is chatting at the moment.
  • @ COWBOYS:
    Denton GL 1000 ham amp comes on, but will not key up
  • @ COWBOYS:
    What can I do to make my Denton GLS 1000 amp to load ?
  • @ AudioShockwav:
    Try starting a new thread in the Amplifier section and asking the question, more people will see it to respond.
  • @ iw7ed:
    hello