• You can now help support WorldwideDX when you shop on Amazon at no additional cost to you! Simply follow this Shop on Amazon link first and a portion of any purchase is sent to WorldwideDX to help with site costs.

RCI 2970N3 external "S" meter.

UDX-4570

Member
Oct 4, 2023
26
22
13
58
Hello crew;
Here is a general question to all. By chance does anyone have a RCI 2970N3 that has an External "S" meter installed?. As most RCI enthusiasts will probably agree that the factory "S" meter lights are friggen useless, has anyone had an external plug installed to add an analog "S" meter??? If so, did you have a tech install it, or is it a simple modification the can be performed by the user with soldering skills??

Thanks for reading!!!
UDX-4570 Palm Springs (Eric)
 

Thank you for your reply. I sort of figured it's not a difficult install, there is already 3 phono Jack's on the back, being I don't use the P.A. I'd disable the p.a. jack, and use it for the external meter.
 
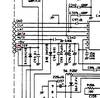
Based on that schematic https://www.worldwidedx.com/cbt/radios/rci/rci_2970/index.html
Take signal from red dot marked place.
It is important to connect a socket that way, that if you plug external, internal will be disconnected.
Otherwise, when both parallel you will get false readings on both.

gdfgdfgdfgdfg.gif
 
You could just put in a different LED (or change LED resistor) if you want the light brighter..... Way easier than installing a jack, soldering, and buying a decent external S meter !
 
Last edited:
Wouldn't it be way easier just to adjust VR1 or VR2 (one is AM the other SSB) to get the meter reading where you want it ? You could just put in a different LED (or change LED resistor) if you want the light brighter..... Way easier than installing a jack, soldering, and buying a decent external S meter !
You say, that meaningless 8 bar meter is better than needle type external unit?
rBVaWFxvI8uAKX0HAAKd76xx6k0582.jpg
 
Wouldn't it be way easier just to adjust VR1 or VR2 (one is AM the other SSB) to get the meter reading where you want it ? You could just put in a different LED (or change LED resistor) if you want the light brighter..... Way easier than installing a jack, soldering, and buying a decent external S meter !
There is already an available phone jack (P.A. Speaker) that I'll never use, I will repurpose it for the external analog meter, I prefer an analog meter over those goofy Christmas tree light bar the factory installed.
 
20240123_143306.jpg
LMAO!!! Whoever packed this meter for shipping is lost, they put the foam cushioning material around the outside of the cardboard box rather than wrapping the meter, then inserting the meter in the box! F*************K
 
Last edited by a moderator:
Based on that schematic https://www.worldwidedx.com/cbt/radios/rci/rci_2970/index.html
Take signal from red dot marked place.
It is important to connect a socket that way, that if you plug external, internal will be disconnected.
Otherwise, when both parallel you will get false readings on both.

View attachment 67135
Welp my friend, after about an hour with a magnifying glass and a 5,000 lumen light, the schematics dropped regarding the "External "S" meter" phono jack hook up, I couldn't find ANYTHING on the RCI 2970n3 circuit board that matched the schematic. Any other.suggestions would be greatly appreciated.

Regards UDX-4570 PALM SPRINGS WAVIN ⚡
 
Isn't the N3 more like the DX than the older through hole design? Seems the schematic is different on the 2970 non-DX version than the DX version.
It is a through hole board but as for being like the DX, I couldn't tell you.
Thanks for dropping the schematic, I'll check it out!
UDX-4570 Palm Springs wavin!
 

dxChat
Help Users
  • No one is chatting at the moment.
  • @ COWBOYS:
    Denton GL 1000 ham amp comes on, but will not key up
  • @ COWBOYS:
    What can I do to make my Denton GLS 1000 amp to load ?
  • @ AudioShockwav:
    Try starting a new thread in the Amplifier section and asking the question, more people will see it to respond.
  • @ iw7ed:
    hello