Hello Guys (& Ladies),
Some help with this issue will be mucho appreciated.
I got a good offer to buy a variation of the TPL UHF amplifier PA6-1AC. The unit label says 400-512MHz with a sticker on the other side saying pretuned for 403MHz to 423MHz. Below is the basic specification for the amp.
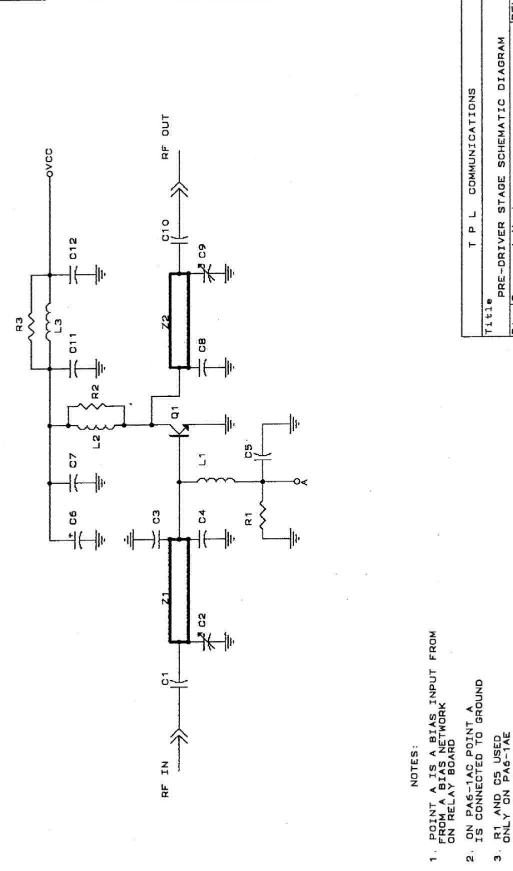
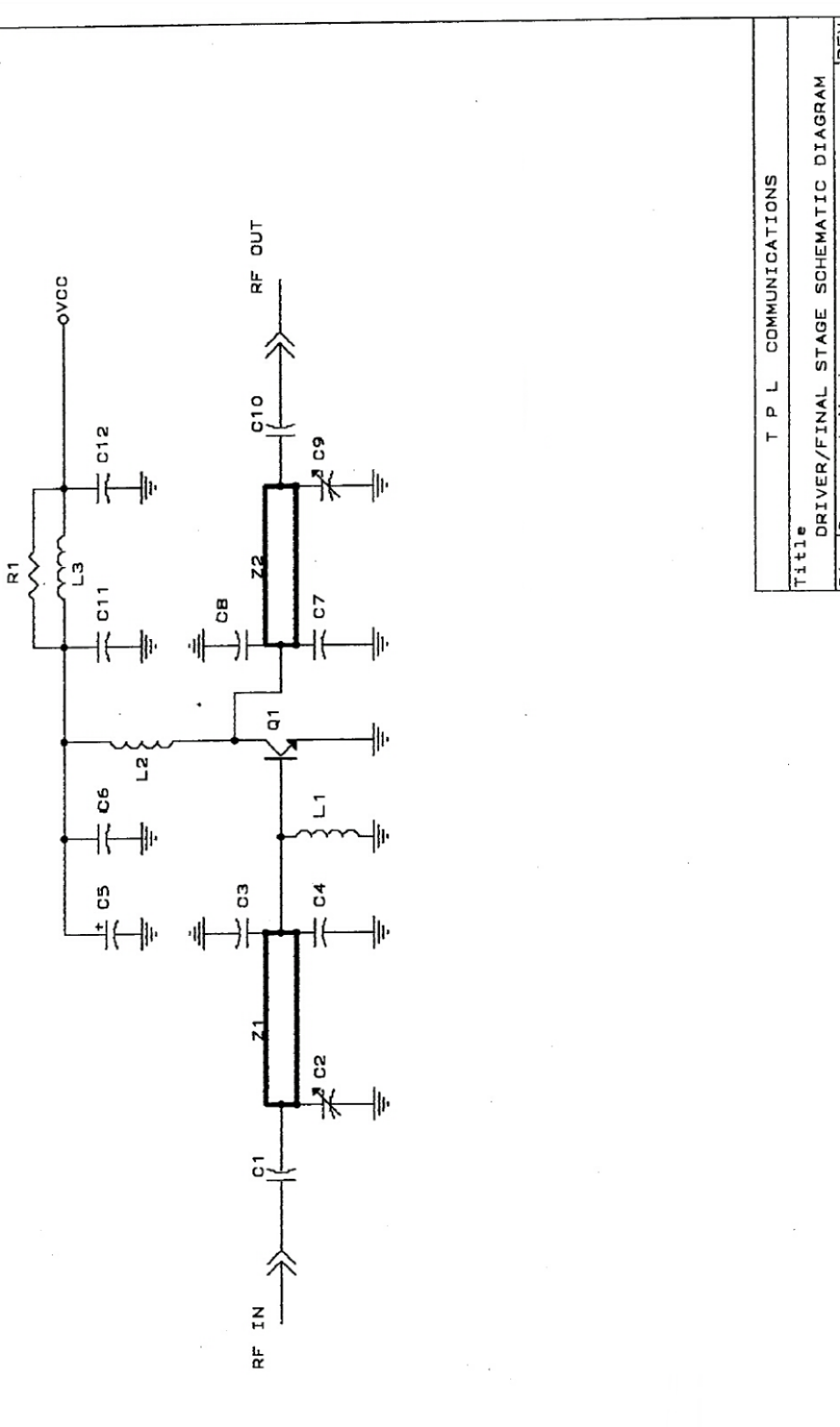
I had purchased some VHF TPL amps in the past and retuned them for the ham band without any problems. So I figured I'd be able to do the same with the UHF one. Unfortunately the UHF model is a totally different layout and design and I have not been able to tune it to the ham bands at all whatsoever. Normally there are a couple of variable caps on there that will allow you to tune it but the variable caps on this model only adjusts the input and output impedance and a little bit of output power.
I am fairly new to amplifiers, so I am not sure of anything. Don't know if they are using a LC circuit for the tuning or not, or whether you even use a LC circuit in an amplifier or not.
I think all I need to do is to swap out a capacitor, and/or one of the inductors but don't know which one(s).
I have confirmed that the amplifier works well within the 403MHz to 423MHz but anything above about 423.4MHz and there is no output.
I called TPL and the engineer was nice but wouldn't give me any info and was trying to get me to send it in. I don't care for the $50 they will charge me but I really want to get my feet wet in the amplifier part of this hobby. He said that you can only tune it within a 20-25MHz bandwidth which is perfectly fine.
Anyhow, below are some photos and schematics. On the photo with the 2 boards, the variable caps are C2 & C9 on both boards.
SPECS:
Model # PA6-1AC-SSR-SPA
Mode FM
Freq 400-512 adjusted to 403/423 MHz
Volt 13.8VDC
Input 1-6W
Output 25-50W
Thanks for any help!!
Some help with this issue will be mucho appreciated.
I got a good offer to buy a variation of the TPL UHF amplifier PA6-1AC. The unit label says 400-512MHz with a sticker on the other side saying pretuned for 403MHz to 423MHz. Below is the basic specification for the amp.
I had purchased some VHF TPL amps in the past and retuned them for the ham band without any problems. So I figured I'd be able to do the same with the UHF one. Unfortunately the UHF model is a totally different layout and design and I have not been able to tune it to the ham bands at all whatsoever. Normally there are a couple of variable caps on there that will allow you to tune it but the variable caps on this model only adjusts the input and output impedance and a little bit of output power.
I am fairly new to amplifiers, so I am not sure of anything. Don't know if they are using a LC circuit for the tuning or not, or whether you even use a LC circuit in an amplifier or not.
I think all I need to do is to swap out a capacitor, and/or one of the inductors but don't know which one(s).
I have confirmed that the amplifier works well within the 403MHz to 423MHz but anything above about 423.4MHz and there is no output.
I called TPL and the engineer was nice but wouldn't give me any info and was trying to get me to send it in. I don't care for the $50 they will charge me but I really want to get my feet wet in the amplifier part of this hobby. He said that you can only tune it within a 20-25MHz bandwidth which is perfectly fine.
Anyhow, below are some photos and schematics. On the photo with the 2 boards, the variable caps are C2 & C9 on both boards.
SPECS:
Model # PA6-1AC-SSR-SPA
Mode FM
Freq 400-512 adjusted to 403/423 MHz
Volt 13.8VDC
Input 1-6W
Output 25-50W
Thanks for any help!!
Attachments
Last edited: