• You can now help support WorldwideDX when you shop on Amazon at no additional cost to you! Simply follow this Shop on Amazon link first and a portion of any purchase is sent to WorldwideDX to help with site costs.

Anytone at-6666 v3

I have been pondering picking up a 6666 for my pickup. I have been rotating between a connex 4800 ( took out for winter..drifter) and 2950 (in place now) and old TS5010. Guess it might be time to add a new flavor to the mix. I'm torn between the 6666 and a 955..
 
I have been pondering picking up a 6666 for my pickup. I have been rotating between a connex 4800 ( took out for winter..drifter) and 2950 (in place now) and old TS5010. Guess it might be time to add a new flavor to the mix. I'm torn between the 6666 and a 955..

Scott's has a sale on the most current crt 9900 (quad 6). I think he's asking 230 right now.
 
I got an Anytone 6666 for Christmas! It was bought from Amazon. Seller was Lucky Product.

The one I got has hot AM. True peak at 72 watts out of the box. Side band was 60 watts. FM was dead on 35 watts. Manual says 45 watts for FM, but I think they lowered that because that could be a bit much for the wrap around heat sink.

Not going to open it up. It's good as it is. The receive on SSB is not at 12:00 on the clarifier...cocked just a bit to the right of 12:00. Friend of mine said his was the same way.

Oh yeah. The radio killed my Pyramid PS14KX.5. Bought a Meanwell LRS 350-12 29 amp continuous switcher. Fan does not even run on the Meanwell. The LRS 350-12 manual says 13.8 max voltage, but they will turn up higher than that. Mine turned up to 14.17 volts.
 
Last edited:
  • Like
Reactions: Shadetree Mechanic
I got an Anytone 6666 for Christmas! It was bought from Amazon. Seller was Lucky Product.

The one I got has hot AM. True peak at 72 watts out of the box. Side band was 60 watts. FM was dead on 35 watts. Manual says 45 watts for FM, but I think they lowered that because that could be a bit much for the wrap around heat sink.

Not going to open it up. It's good as it is. The receive on SSB is not at 12:00 on the clarifier...cocked just a bit to the right of 12:00. Friend of mine said his was the same way.

Oh yeah. The radio killed my Pyramid PS14KX.5. Bought a Meanwell LRS 350-12 29 amp continuous switcher. Fan does not even run on the Meanwell. The LRS 350-12 manual says 13.8 max voltage, but they will turn up higher than that. Mine turned up to 14.17 volts.
I would open and turn down to say 50w for your AM max swing. Mine is running 50/50/40 and has been running great for 3 years now or so. Use it as a base unit.
 
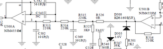
The NPC RC mod is as follows. 1N 4148 signal diode, cathode to center leg of AM regulator. Use a 50 to 100 ohm 1 watt resistor attached to the anode, other end of resistor t0 positive pin of capacitor shown in picture. This is identical to the stryker 955 and stryker 655 n p c r c AKA swing mod. Make sure you are soldering the other end of the resistor to the positive end of the aforementioned capacitor which is closest to the rear of the radio, if you short that capacitor you will not like the results AKA lots of smoke. Be careful as the pins of the capacitor are extremely close together. Use shrink tubing. Now you'll have full carrier development from any dead key. Enjoy
In the picture you provided is this a anytone quad 6 ?
 
I've got 2, 1 mobile and 1 base both at 3 plus years old. The base because it gets much more use has really shined with many many contacts made. 3 plus years and completely trouble free probably because no golden screwdriver has been in them.

When you read of them having issues it's mostly because someone couldn't keep their hands out of it trying to squeeze every watt out of it. Best export I've ever owned, in my own experience.
So you never had any issues with a bone stock quad 6 due to overheating causing a malfunction at all ?
 
So you never had any issues with a bone stock quad 6 due to overheating causing a malfunction at all ?
All I did when I got mine new was went in and turned high power down to 10 watts carrier and turned the modulation a tad. Yeah they get warm but I've never had an overheating issue.
 
  • Like
Reactions: Pez
I would be happy to provide pictures and the way I tune them up. Email me at tiny@tinyscbshop.com. The npc\rc modification and tune is similar to the ranger boards. Be forewarned that the proper mod is with a one end 9:14 or 1 in 4148 signal tired and a 100 ohm 2-watt resistor. While the mod can be done with only the diode for a higher yield in average Watts, I have it installed with a competition quad six that I can switch the mod in and out of the circuit.the radio is easily capable of producing pep wattage in excess of 100 Watts. I drive my 2 pill class c with the radio and yield close to 430 w. Pep, at 13.8 v. It makes a perfect driver for a class c-2 pill or idling along a 6 or 8 pill.shoot me that email and I'll try to get a response together sometime tomorrow. Long live CB tricks mirror sites! I hope Benny brings it back or whoever took it over. What a fantastic resource it was for the online manuals service manuals etc. A wealth of information that hopefully others downloaded before its demise.
Would I find this 1n4148 diode located in any old 23 channel cb radios or any other specific devices for where I could salvage one from and how would I recognize it as a 1n4148 ?
 
I would be happy to provide pictures and the way I tune them up. Email me at tiny@tinyscbshop.com. The npc\rc modification and tune is similar to the ranger boards. Be forewarned that the proper mod is with a one end 9:14 or 1 in 4148 signal tired and a 100 ohm 2-watt resistor. While the mod can be done with only the diode for a higher yield in average Watts, I have it installed with a competition quad six that I can switch the mod in and out of the circuit.the radio is easily capable of producing pep wattage in excess of 100 Watts. I drive my 2 pill class c with the radio and yield close to 430 w. Pep, at 13.8 v. It makes a perfect driver for a class c-2 pill or idling along a 6 or 8 pill.shoot me that email and I'll try to get a response together sometime tomorrow. Long live CB tricks mirror sites! I hope Benny brings it back or whoever took it over. What a fantastic resource it was for the online manuals service manuals etc. A wealth of information that hopefully others downloaded before its demise.
Also like to know can any other diode types possibly a germanium diode be used for the NPC mod on the anytone quad 6
 
The AMPH and AMPL do these adjustments only affect separate levels of the radios main rf gain output power ? What I really need to know is will the AMPL adjustment only affect the radios output when the main rf power on the front of the radio is turned all the way down but does not at all have any affect with the radios output watts when the rf power is turned all the way up ?
 

dxChat
Help Users
  • No one is chatting at the moment.
  • dxBot:
    Kangsteri has left the room.
  • @ 357:
    holy man no activity or what?
  • dxBot:
    357 has left the room.