• You can now help support WorldwideDX when you shop on Amazon at no additional cost to you! Simply follow this Shop on Amazon link first and a portion of any purchase is sent to WorldwideDX to help with site costs.

Hooking a mp4 player/recorder to the PA Jack

2FB327

Active Member
Oct 31, 2012
270
55
38
Could someone point me to the instructions on how you go about this. With all the bashing of incompetent hackers maybe someone could show me the right way to do it. We need more teachers.
 
  • Like
Reactions: 222DBFL

You CAN connect it to the PA jack to record but that is NOT recommended because of the EXTREME difference in levels between what the radio puts OUT and what the recorder wants to see going INTO it. You can connect a high power 8 ohm resistor across the PA jack(Radio Shack has/had 8 ohm 20 watt resistors which work great) then on the hot side of that 8 ohm resistor you need a high value resistor like 100,000 ohms to one side of a 10K or better yet a 50K pot. The other side of the pot goes to ground. The audio to the MP4 recorder comes off the pots center pin and ground. If you are familiar with audio gear and levels fine but if not you can have BI issues because of the extremely high levels you are working with. just what do you want to do anyway?
 
  • Like
Reactions: 222DBFL and 2FB327
Get a passive mixer to put inbetween the radio, and voice recorder.

He still needs something to load the PA hence my suggestion of the 8 ohm resistor and the 100,000 ohm resistor tap and following pot is basically a passive mixer itself. A one input mixer. LOL Values may have to be played with but essentially he needs an 8 ohm load and a high impedance tap resistor to a pot. 10K may work better for the pot.
 
  • Like
Reactions: 222DBFL
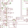
For recording I use the pa jack. Disconnect the pa wiring or cut the trace. Then solder a wire from the the volume potentiometer through a 2.2 or 4.7 microfarad cap to the pa jack. A non polarized electrolytic works fine. The value isn't too critical just be sure to use a dc blocking cap. You will use either the left or right terminal on the volume pot. Find out which side goes to board ground and use the other one. This will give you the same recording level no matter where the volume is set. This is how I connect my radio to the PC for on air recording.

For playback you can inject audio into one of the terminals on the mic gain pot. if you use the correct terminal you the playback audio will not be affected by the mic gain control. You can set the audio level with your recorder, computer or whatever.
 
I put a mono Y connector to external speaker jack for record and wired-up mic to accept mono plug for playback. The mic has to be keyed for it to work. Les than $5 in parts.

I can hardly comprehend the gross mismatch in levels when going straight from a nominal 5 watt PA output to even a line level input much less a mic input level. If the level is turned WAY down it can work but one slight bump of the pot and goodbye audio preamp of the recorder.
 
Could someone show me where to cut the trace for the pa jack? Just using it for playback and would like to use the pa jack to plug the player into.

I tried the mod as 543 mentioned and had feedback issues in the cab with feedback,etc.
Disconnected the resistor across the jacks for talkback and still had problems.
The problem was the cheap cord that I used that went between the player and the radio, so if your going to use this mod get a quality cord.
 
Some snap on ferrite chokes at the antenna feedpoint and the audio wiring will or should help a bunch as well as one on your mic cable. These can be gotten at Radio Shack still I think(n). They used to have them. You can get the ones for the coax off eBay. Just make sure to get the proper mix of ferrite. Also using a shielded audio cable will help. And having a good ground and making sure power is tied directly to the battery and not the fuse box or cig lighter. All these things can and may affect the feedback issues you have or have had. Hope you get it resolved.
 
I'm sorry let me restate my post #12
Could someone show me where and how to cut the trace????????????
I don't see where ferrite beads will help me in cutting the trace.
 

dxChat
Help Users
  • No one is chatting at the moment.
  • @ Spanish:
    Where do i upload schematics
  • @ BJ radionut: