• You can now help support WorldwideDX when you shop on Amazon at no additional cost to you! Simply follow this Shop on Amazon link first and a portion of any purchase is sent to WorldwideDX to help with site costs.

Kenrich Eagle VIII

Also, should I be concerned with this ? Not sure why they didn't add the resistor here it looks like they put a drilled out set screw here instead, anyone know anything about that ?
It looks like a ferrite core out of a tuning can. Someone thought it would be equal to the resistor/wire wrap? I would be tempted to make it like the others.
 
  • Like
Reactions: Danzik
It's kinda hard to explain I guess but it would be hard to get it to adjust correctly with let's say a cobra 2000 or something with a 4 watt deadkey, it does real well on my 2950 but I can set it low enough to where it is hardly deadkeys anything, I set the "drive" so the box deadkeys around 200 and let it swing from there and it does real well but if I put a JB12 behind the cobra I can't even get the JB12 to key low enough to where the eagle is happy 1 watt seems to be too much
 
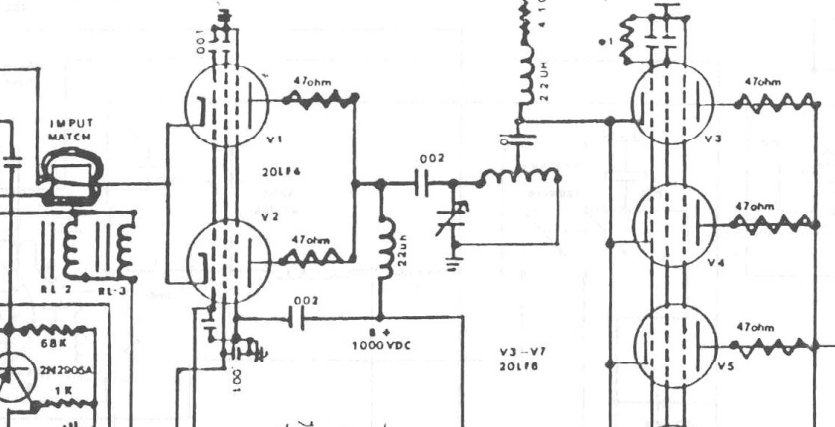
That Drive control is a matching control, not a level setting control.

It should be peaked for max, not set for a desired output level.

as can be seen in the diagram below, it is matching the output impedance of the two driver tubes to the input impedance of the five final tubes.

1732402270271.png

LC
 
That Drive control is a matching control, not a level setting control.

It should be peaked for max, not set for a desired output level.

as can be seen in the diagram below, it is matching the output impedance of the two driver tubes to the input impedance of the five final tubes.

View attachment 71003
LC
Well fellas, then I most absolutely have a issue then, what would cause such a thing ? It acts just like I described, let's say a 1 watt deadkey going in, if I adjust the drive for maximum output power I get at least 900 watts deadkey on the meter, with no modulation added. Even with less going in I can still get the amp to peak. Do any of you guys know what VR7 is for ? Is that the driver bias control ? One thing we do know is that tiny piece of wire was shorting out the driver coil when I first got it and it was only putting out about 50% power maybe that destroyed a component in the circuit
 
I wonder if that disc cap took a hit when that tiny wire at the bottom was shorting it out ? Would that cause this situation?
 

Attachments

  • Screenshot_20241125-095737_Samsung Internet.jpg
    Screenshot_20241125-095737_Samsung Internet.jpg
    657.4 KB · Views: 201

dxChat
Help Users
  • No one is chatting at the moment.
  • @ COWBOYS:
    Denton GL 1000 ham amp comes on, but will not key up
  • @ COWBOYS:
    What can I do to make my Denton GLS 1000 amp to load ?
  • @ AudioShockwav:
    Try starting a new thread in the Amplifier section and asking the question, more people will see it to respond.
  • @ iw7ed:
    hello