• You can now help support WorldwideDX when you shop on Amazon at no additional cost to you! Simply follow this Shop on Amazon link first and a portion of any purchase is sent to WorldwideDX to help with site costs.

Palomar 300A questions

FlyBoy50

Radio 75
Feb 22, 2019
2,434
4,022
273
75
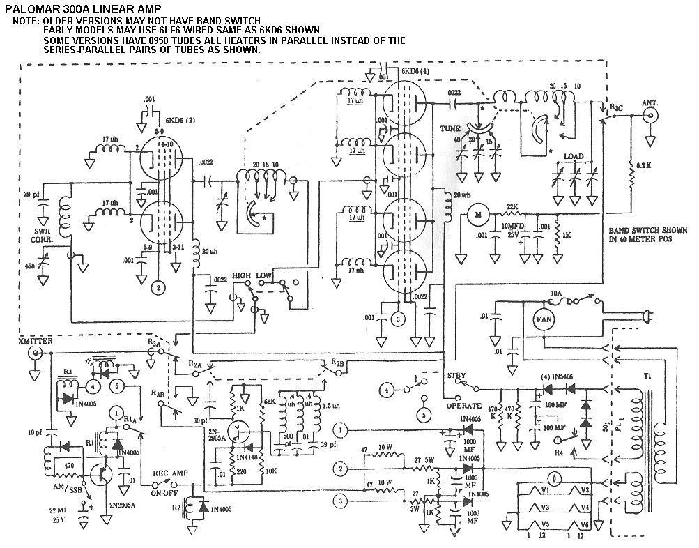
Had my old Palomar out of service for a while because the Preamp switch was not working for a while and dragging the receive down. Finally got around to opening it up to look for loose or corroded wires and sprayed the switch with contact cleaner but it didn't seem to help. I set it off to the side again and the other day I decided to re hook it up and try it again in case I hooked it up wrong. Well at first it didn't work but after throwing the Preamp switch a couple times it started to working again so I'm figuring the switch might be starting to go bad. I like the little amp and it is sufficient for my need so I would like to revamp it's minor problems. #1 What type switch do I need to replace the Preamp switch and where to get it. #2 the meter in the upper R/H corner for tuning it doesn't work so I would like to replace it if they are available. I can tune it with my Dosy meter but I would rather use the meter in the unit. # 3 all the tubes are working but I would rather have a complete set of spares on hand. # 4 the internal cooling fan works but at it's age I suppose it is getting tired so a replacement might be in order. Is there a good supply house that carries stuff for this old stuff? Thanks in advance. Mike
 

whiteastro,
I too have a 300A that I call my "everyday amp" because it is dependable and still outputs 500 watts pep with the original tubes. I posted a thread a couple of years ago showing the refurb I did to it.
#1-The PreAmp switch shows to be a spst in the schematic (below). Trying to find one that matches the original may be tough but if you aren't too concerned with originality, any spst switch should work. @nomadradio posted instructions previously on the forum showing how to bypass the PreAmp relay (which is likely the problem) using a single jumper. Personally, I never use the PreAmp as it just amplify's noise.
#2-I can't tell you if a meter is available to replace the original short of buying a junker 300A to cannibalize for parts but older Johnson CB radios used an edgewise meter that fits the panel cut out in the 300A and by swapping the "Tune For MAX." label, it will work fine. (That is what I did.) It is a "relative meter" anyway so your Dosy should be as good as the panel meter is.
#3-https://vacuumtubesinc.com/
Or E-Bay may be a source for tubes. No easy way nowadays!
#4-The cooling fan is powered by 120Vac. A suitable replacement should be easy to find. Check Mouser, Digikey, Newark etc. for correct measurements (I.e. Height, width and thickness). New brackets for mounting may have to be fabricated but shouldn't be difficult. (Think rubber cushions/washers for noise abatement when mounting.)

Good Luck.
73
David
 

Attachments

  • palomar_300a_sch.gif
    palomar_300a_sch.gif
    158.3 KB · Views: 395
  • Like
Reactions: FlyBoy50
So, which 300A do you have?

The one with three identical relays on a stand-up circuit board that plugs into a socket?

Or the later one with the relay circuit board flat against the chassis just under the Load control? That one has a single "ice-cube" relay in a socket, along with two flat white-plastic sealed relays that are soldered in place.

Makes a big difference as to what you can get away with cheap.

73
 
  • Like
Reactions: FlyBoy50 and Dmans
So, which 300A do you have?
Thanks for the help both of you. I'm not sure which one I have so I'll have to open it to take a look but that might take a few days because I have a lot of spring work on my plate at the moment. I've been a sad boy because I've been missing all this DX that has been rolling in but life has priorities even if they are mixed up ! LOL The guy I bought it from said he got 600 watts out of it and my Dosy leads me to believe it's true. If you can trust a Home Owner grade Dosy. LOL
 
Last edited:
the switches on that amp should be rebuildable, or at least able to be opened up and cleaned, and re-greased.

you should see two small screws on the back of the switch. remove them and you can access the contacts on the inside.
be careful of things springing out when moved.

you can now clean the contacts completely.
be sure to check the grease on the actuator. you should see some in there already, so just make sure there is some in there.
LC
 
  • Like
Reactions: FlyBoy50
Or the later one with the relay circuit board flat against the chassis just under the Load control? That one has a single "ice-cube" relay in a socket, along with two flat white-plastic sealed relays that are soldered in place.
This is the one I have. I checked as soon as I woke up !
 

What do you know? Tube availability lives here. ^^^^^

73
David
 
  • Like
Reactions: FlyBoy50
"Short" 6LF6 tubes are all but impossible to get. If your amp is designed for them finding a replacement is difficult. The 6LF6's that are available are almost always the tall ones as are the 6MH6, 6KD6 and 6KN6. "Some" of the 6KN6's are short but they have dual plates and dual filaments and don't amplify well at 27Mhz. That leaves the 6LB6. They "are" short and usually work well in Palomars. Another option you can do on some of the Skippers and 300A's is to make the standoffs holding the tube PC boards longer so they ride closer to the bottom of the case, making room for taller tubes. This won't work on all revisions though. I've also fabricated lid extensions for the sides before to make more room for taller tubes. You can cut a piece of black rubber hose to length, cut a slice lengthwise and slide it over the top edge of the front and back. When reinstalling the "extended" lid, the rubber hose fills/seals the gap and looks pretty good as well.
 
  • Like
Reactions: FlyBoy50
"Short" 6LF6 tubes are all but impossible to get. If your amp is designed for them finding a replacement is difficult. The 6LF6's that are available are almost always the tall ones as are the 6MH6, 6KD6 and 6KN6.
Being a metal fabricator making extension for the lid is not a problem but I don't want to put anything in the amp that will do damage to it. As it is I could ( Runner Til She Blows ) Sometimes saving Old Junk becomes too much of a hassle. I've spent a life time fixing up old junk so I would have something to work and play with. Some time you grow weary and just want to buy new if it is available & affordable. Time to see if I can get the Gears to Mesh. LOL
 
The two flat white or yellow sealed relays are expensive and rare. Here is the cheap solution to the receive connection dropping out.

LBP0GP.jpg


Just remove the preamp relay altogether. The jumper wire will eliminate the preamp feature.

If the plug-in relay has a problem, at least you don't need a soldering iron to replace it.

Just money.

73
 
Nomad has you on the right track. This has nothing to do with the switch, it is the relay this switch is operating. This relay may come back to life with use or flipping the switch a bunch of times. They are difficult to remove the cover and clean without damaging.
 
  • Like
Reactions: FlyBoy50
The two flat white or yellow sealed relays are expensive and rare. Here is the cheap solution to the receive connection dropping out.
Bare with me because I don't understand circuitry as well as you but does that arched jumper wire replace one of those white relays. I have to get the time to open up the cover again and try to understand the picture of it I printed out. I've had NO electronic training at all but from your picture I can probably find the spot ! LOL
 
This is the entire relay board @nomadradio is showing in his photo above.

Removal of the middle relay and adding the jumper should take care of your receive/pre amp problem.

73
David
 

Attachments

  • 300arelayboard.JPG
    300arelayboard.JPG
    57 KB · Views: 298
  • Like
Reactions: FlyBoy50

dxChat
Help Users
  • No one is chatting at the moment.