• You can now help support WorldwideDX when you shop on Amazon at no additional cost to you! Simply follow this Shop on Amazon link first and a portion of any purchase is sent to WorldwideDX to help with site costs.

UR6QW EQ'S

Dean Awesome.gif
 
So I've been testing out the newest version of the UR6QW - the digital version. I've paired it with a studio condenser microphone that runs into a phantom power supply and then via XLR into the UR6QW. 4 pin plug coming out of that can plug into a standard 4 pin radio, etc. I've been testing so far with quite a few different radios. I do some voiceover work for videos so already had the microphone equipment.

I've done some on air audio recordings and I can tell you so far the sound quality you can get is quite good, even with a cheaper studio microphone.

What I have found is that when used with a studio microphone the gain, compression, and noise gate on the UR6QW is extremely effective. The EQ allows you to really tailor your audio for the right amount of highs and lows - and on SSB the compression is useful.

Now if you have a nicer ham radio with most of the features built in this absolutely might be a waste of money, but when paired with a older or more simple CB/Ham radio it offers a lot of options in a small package. I did some comparisons against a D104, Turner and some other microphones and the tests really emphasized to me how good some of those microphone work, but the UR6QW definitely can create some nice audio regardless of any bottlenecks on the receiving radio. If you are a AM CBer's and want to sound like motormouth it may not do that, but it will make you sound more like him than any other microphone setup I've ever tested (unless you want to go the direct inject route).

All that being said my concern is that most people won't have equipment to set these properly and they'll crank things up and just sound distorted. People will need to act more like an audio engineer and less like a CBer with a "loud and proud" mentality. You can easily distort with too much, gain, compression, and can sound muffled/muddy if you try to add too much on the low end of the EQ. I recently watched that BBI video where he and motormouth discussed a lot of these issues and about trying to find the right balance. There is a lot more to setting these up than just turning the gain dial on a Turner.

You really can't use the monitor out function and headphones to set these up. What you hear there is quite different than what comes out of the radio :)

Calling these a waste of money is like calling a D104 or Turner +3 microphone a waste of money - it's simply a tool and if used properly it can be yield good results. It's not the holy grail and I'm not surprised some people aren't seeing good results, adding the studio microphone I think is the key with these.
 
Last edited:
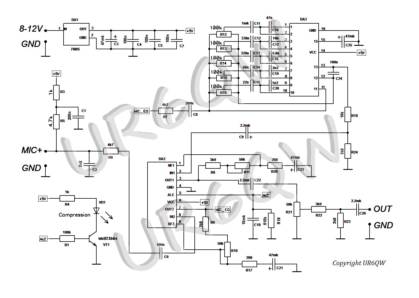
Hello 711 can a little mod can be done to this EQ (8 bands) to extent the 3.2khz to 4.8khz like the W2IHY for AM ?

Thanks
Each band can be expanded to whatever you want, the W2ihy is based on baxandall layout. UR6QW based his EQ on the LA3600 and it’s offspring equivalents. You can find out a lot scrubbing through application data and specification sheets.
E2134FB2-5F9C-41C2-9511-A53D915CFB65.jpeg
 
  • Like
Reactions: Shadetree Mechanic
Hello 711:

Thank you very much for the orientation on this new toy to me (y)

Also I have the 8 Band EQ & EQ Plus from Julius in my humble toy collection for comparison

Regards
Tecnicoloco
 
Hello 711:

Thank you very much for the orientation on this new toy to me (y)

Also I have the 8 Band EQ & EQ Plus from Julius in my humble toy collection for comparison

Regards
Tecnicoloco
The 8 band from Julius is also adjustable however I think each band is in a good area as is. The EQ Plus uses 2 bands of EQ and a SSM2166 compressor circuit. MFJ tried their hand at the same but went to aggressive on the compressor section IMHO. THe UR6QW has its own sound compared to the W2IHY. Also the echo is straight out of the datasheets.
 
Last edited:
  • Like
Reactions: tecnicoloco
Hi 711:

The EQ Plus & the 8 Band sound nice too

Also I own the MFJ-655b which I never like the audio out of the unit , too noisy

For simplicity this new UR6QW EQ sound nice as is for ssb and I will try the mod for am

Regards
Tecnicoloco
 

dxChat
Help Users
  • No one is chatting at the moment.
  • @ Spanish:
    Where do i upload schematics
  • @ BJ radionut: