• You can now help support WorldwideDX when you shop on Amazon at no additional cost to you! Simply follow this Shop on Amazon link first and a portion of any purchase is sent to WorldwideDX to help with site costs.

Kenwood TS440S Too high voltage in VCO 5 (7.8v versus 5v)

You guys are right!

L40 is the wrong way around! Heres my VCO 5 followed by a pic of a VCO 5 from the net with what I assume is the correct orientation...I've never had it out so I didn't even think about that aspect..

My VCO 5 (L40 the wrong way around - I'm aware grey coax is unplugged in that pic btw):
20250622_140627.jpg


And how L40 should look - pic from the net:
ts440-003.jpg


First thing tomorrow I'll remove board from radio and swap L40 around.

BTW, its a cheap DMM meter I use because it has thinnest probes to get into spaces out of all my DMMs, but I have 2 other DMMs (better quality but still cheap) so I could use those. When I probe TP11 it takes the RX audio away from the radio.....

I will recheck with another DMM shortly and see what happens.
 
Last edited:
Don't worry about trying another meter there, its fine. I think any meter would load down the tank, so no worries about the meter. I was grasping at straws for a minute there. You should be able to remove that bridge wire you added when you swap L40 around.

Looking forward to hearing where the radio is at once you flip that and set it to the spec.
 
  • Like
Reactions: Ghetto and Tech5
Thanks guys, the amount of time wasted chasing a red herring with L40 around wrong way....

TP11 is now at 4.7v and I just adjusted to 5.0v no problems......RX volume does not get dragged down when TP11 now probed....lesson learnt for me on this even though the previous owner must of had it out during VCO rebuild.

Had a quick look at other VCO voltages and can see they are out a bit versus service manual - should I just start setting them where I can with my DMM?.

SSB RX still not working properly. Heres a video of current state which is similar to my first video. I can here slight tone change on SSB, like a capacitor discharging or warming up is how i feel....

 
Last edited:
  • Like
Reactions: Tech5
I would be tempted to temporarily bridge [replace, see below] CF1 with a capacitor just to see if the noise comes back up. That is one thing common to the modes that are not working. Obviously you cannot run it with that filter bypassed, but at least the cap will let SOMETHING through to tell you if that might be a problem.
1755925728205.png
 
Last edited:
  • Like
Reactions: Tech5 and Ghetto
Ok, so according to chatgpt (sorry, lol, I dont usually involve AI when helping people), it states that the ceramic filter is a common fault. It also states that the usual failure mode is DC leakage which upsets the bias of surrounding stages rather than simply failing open. If this is true, you would need to remove it before jumping it's pads with the temporary capacitor.

Feel free to wait for other suggestions before continuing. I am not a kenwood expert, someone here may be more familiar with its ceramic filter.
 
Last edited:
  • Like
Reactions: Ghetto
Edit to clean up a long post where I rambled on about electromigration and dendrites in ceramic filters. Long story short, ceramic filters and DC don't mix unless hermetically sealed, which this one should be. Will repost if it becomes relevant. Sorry for the mess.
 
Last edited:
I never used chatgpt but now you said it i had a go - works really well.

Disregard that black daughter board comment in my video, just reading AM RX goes through that as well so its ok and I have re soldered that in, like you said SSB final filter is through this:

20250823_162508.jpg


Can I use a ceramic non polarized something in place? I guess I could temporarily borrow a ssb filter from my ts430s (it has the optional narrow as well as wide ssb filters) and put that in the ts440s spare filter slot and manually switch the radio to use the specific filter - I have to verify that makes logical sense with the ts440s service manual first or if the murata filter is always used.
 
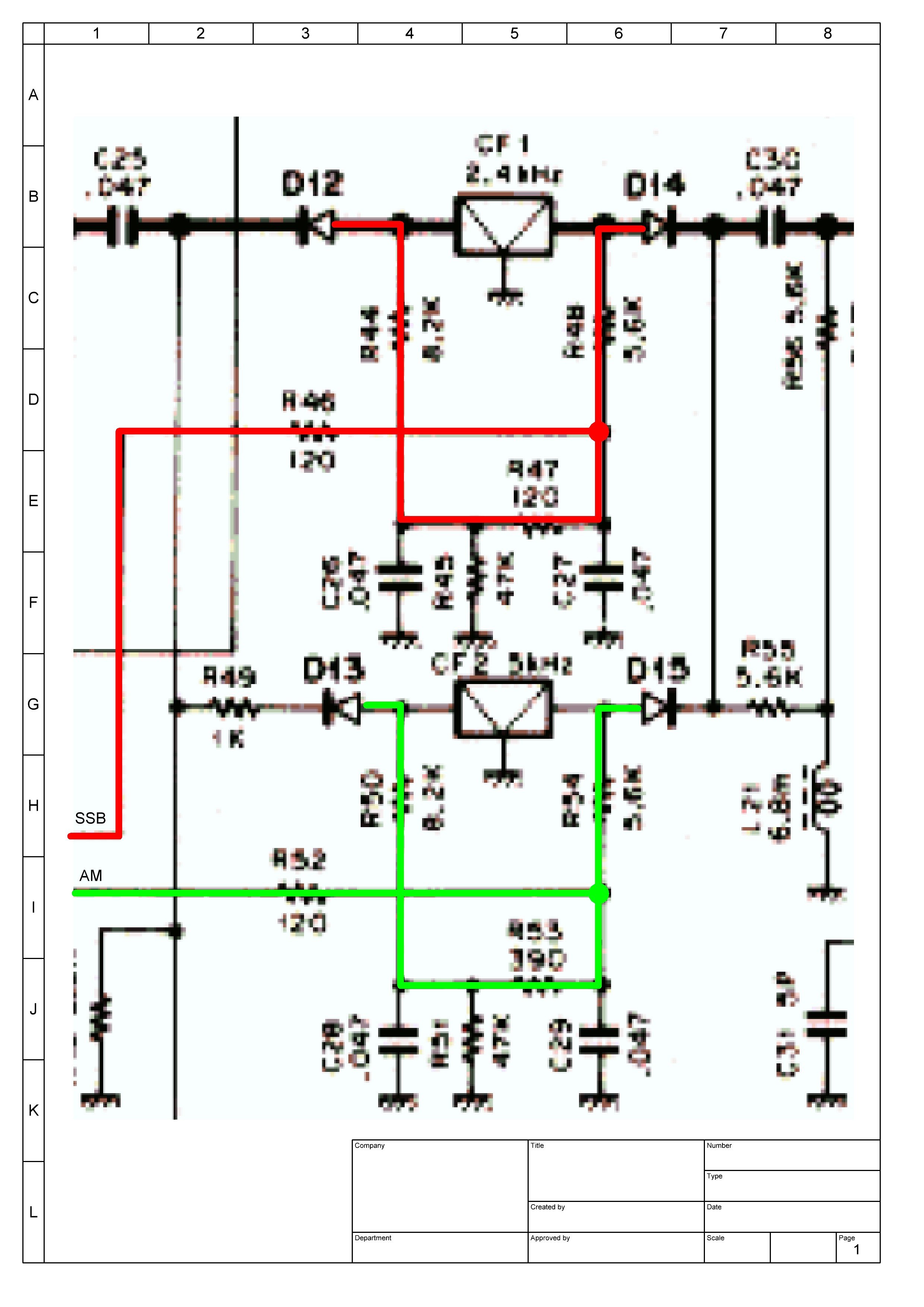
AM goes through CF2. This screenshot is from page 8 of the service manual. And in the case of the optional filters, CF1 is still involved so optional filters will not bypass the issue.
1755933220396.png
 
  • Like
Reactions: Tech5 and Ghetto
Thanks Brandon, I did read your other longer post before you changed it. Its not rambling to me because I've never heard about that with DC and crystal filters as a beginner its all new knowledge to me. I enjoy your guys talking about this stuff or even disproving each other theories based on logic. The fact you guys worked it all out is impressive.

I wish I hadn't kept you up to 2am with chatgp! Thanks again, your commitment is too much to be honest! And thanks Tech 5 for help as well.

I will try manual wide and see what happens..
 
@Ghetto you are doing real real good! You could also check, after you tested wide as @brandon7861 suggested, if switching for CF1 is taking place. The switching circuit for CF1 and CF2 are done in the same manner so it is only a matter of comparing voltages between these two before going further.

A good start would probably be to measure both the incoming switching voltages for AM and SSB at R52 (CF2) and R46 (CF1) and by doing that you might be able to tell if CF1 is bad or not. If these voltages are the same you will have to continue to other places in the circuit and compare them as well or just start at anode of D12, D13, D14 and D15.
 

Attachments

  • TS440 IF Unit.jpg
    TS440 IF Unit.jpg
    530.5 KB · Views: 109
wish I hadn't kept you up to 2am with chatgp! Thanks again, your commitment is too much to be honest!
I would have been up that late anyhow, I just couldn't believe how fast time went by last night. This is fun to me, so I am just committed to having fun, no worries there!

I made sure to leave mention what the longer post was about, so anyone curious can do a quick google search and find the same stuff. I think I've killed a couple threads doing that in the past so when I discover something cool but borderline off topic, I try to keep it shorter now.

And don't trust chatgpt. It can help bring things to your attention, but it still has terrible accuracy. It's math skills suck, it is hopeless with schematics and its reasoning still lacks a physics analysis, like telling me to lift just one leg of a 4-legged filter in a sealed metal can or the bias issue which didn't even apply to this radio. Use it only as a research guide, not a repair guide.
 
The AI's are in infancy aren't they, in some ways impressive what they can do already, but still still missing the mark in other aspects.

I do have more volume in manual wide but I think it may be something else then that Murata SSB filter.

Tech 5 I will do that check shortly - thanks that should be easy to check now you have showed me - I've been so busy today!

Made two little videos as I find easier to demonstrate than describe it, first one shows how when radio turned on it behaves correctly and then starts sliding on it audio tone or slight frequency before loosing its volume on SSB. Turning the radio off and back on again restores audio volume:



Second video shows when switched from auto to manual wide:
 
I would be curious to hear the same thing with a tone from a signal generator coming into the receive while it sweeps.

The audio provides us with some hints though. We see about 3kHz of audio sweeping in frequency and a signal inversion. Edit, audio BW not widening after inversion like I thought. Optical illusion according to my ruler lol

I am going to take the night to think about all of this, but I feel there are many clues hidden here.

adding snapshot of end of video
1756057814545.png
 
Last edited:
  • Like
Reactions: Ghetto

dxChat
Help Users
  • No one is chatting at the moment.
  • @ heartbreaker3473:
    Hello gentlemen and Ladies. I have the dreaded RCI-2990 receive issue where my radio gets distorted when people get close to my location. I found the C90 Capacitor, but I can not for the life of me find the C89 capacitor. Can or does anyone have a picture of the exact location of C89 ? Thank you in advance, Wes
  • @ AudioShockwav:
    Wes, it's better if you start a thread on the main forum, more people are going to see your question.
  • @ heartbreaker3473:
    Okay, sorry, will put in a forum
  • @ heartbreaker3473:
    I put it in the general disscution help area and started a new thread. Thank you for letting me know.