• You can now help support WorldwideDX when you shop on Amazon at no additional cost to you! Simply follow this Shop on Amazon link first and a portion of any purchase is sent to WorldwideDX to help with site costs.

RM Station 550

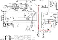
RF final 35.19
Rf final base No volts
all legs of of TR9 no volts amp power on in standby
supply voltage 13.21 keyed and unkeyd
base tr8 unkeyd .752 volts keyed no volts
R29 35 volts on standby switch side no volts on c34.... R29 shows 1 ohm
C34 shows ground on both sides
 
Last edited:
You wont have bias voltage in standby.

Jumpering tr3 will confirm the maximum no drive bias voltage when turned hard on. A situation that never happens in the stock amp but it can when the bias is fixed.

It won't reveal the cause of the class C sounding ssb in stock 550's.
That happens when tr3 is only partially turned on with rf drive.

Theres too much voltage on the base of tr8.
Its a stupid design relying on the base emitter junction of tr8 to be the only load for r29. Made even worse by your high supply voltage.

The resistor i added connects from the base of tr8 to ground forming a variable potential divider with r29 so you can set the bias turn on point

10w max drive FM/SSB 2.5w deadkey or less Am.

Believe RM at your own peril
 
  • Like
Reactions: LeapFrog
S3 was closed and what can i do about the high supply voltage? and i am getting no voltage out of R 29
 
Last edited:
This all should be done with out RF Exciter(Radio) attached or keying in dead key. The collector of TR3 grounded or the Cathode of D-18 to ground you should hear Relay #2 click in and out.

RF final 35.19 (Good)
Rf final base No volts (Good if unkeyed)
all legs of of TR9 no volts amp power on in standby(Good)
supply voltage 13.21 keyed and unkeyd (Good)
base tr8 unkeyd .752 volts keyed no volts (What Position Stand by?)
R29 23 volts on standby switch side no volts on c34.... R29 shows 1 ohm.(Good)

When relay #2 is keyed and STBY switch is connected the fans should turn on, and DC voltage should be applied to the center tap of T3. In turn the base voltage TR7 and TR8 should be present.
 
  • Like
Reactions: LeapFrog
Bob85 said:
Jumpering tr3 will confirm the maximum no drive bias voltage when turned hard on. A situation that never happens in the stock amp but it can when the bias is fixed.
Tallman said: This is incorrect. this area of the circuit is either on or off. No hard, no soft. just on or off.

It won't reveal the cause of the class C sounding ssb in stock 550's.
That happens when tr3 is only partially turned on with rf drive.
Tallman said:This exactly how the bias is set by jumping the collector of TR3 to ground and then putting a pot in place of R31 and measuring the current of the final transistor and adjusting it till you get the preferred Quiescent for the transistor. Must be matched pair.

Theres too much voltage on the base of tr8.
Its a stupid design relying on the base emitter junction of tr8 to be the only load for r29. Made even worse by your high supply voltage.
Tallman said:The supply voltage is just fine. There could not be too much voltage on the base of TR8 since R29 was an open circuit. This is a very common circuit used all over the place and not too bad of a design.

I do have an email from RM Italy detailing the bias adjustment.
 
Last edited:
  • Like
Reactions: LeapFrog
Any bias or other info is always appreciated.
Replace R31 with a 5 Kohm pot and use an ammeter that can measure the low milliamps needed to get the quiescent current set to the power transistors. Which will get you to the AB class operation instead a double class c. If you need more help just let me know.
 

Attachments

Last edited:
  • Like
Reactions: LeapFrog

dxChat
Help Users
  • No one is chatting at the moment.
  • @ heartbreaker3473:
    Hello gentlemen and Ladies. I have the dreaded RCI-2990 receive issue where my radio gets distorted when people get close to my location. I found the C90 Capacitor, but I can not for the life of me find the C89 capacitor. Can or does anyone have a picture of the exact location of C89 ? Thank you in advance, Wes
  • @ AudioShockwav:
    Wes, it's better if you start a thread on the main forum, more people are going to see your question.
  • @ heartbreaker3473:
    Okay, sorry, will put in a forum
  • @ heartbreaker3473:
    I put it in the general disscution help area and started a new thread. Thank you for letting me know.